ADS6443IRGCT
QUAD CHANNEL, 14-BIT, 125/105/80/65 MSPS ADC WITH SERIAL LVDS OUTPUTS
DESCRIPTION(CONTINUED)
FEATURES
• MaximumSample Rate: 125 MSPS
• 14-Bit Resolution with No Missing Codes
• Simultaneous Sample and Hold
• 3.5dB Coarse Gain and up to 6dB Programmable Fine Gain for SFDR/SNR Trade-Off
• Serialized LVDS Outputs with Programmable Internal Termination Option
• Supports Sine, LVCMOS, LVPECL, LVDS Clock Inputs and Amplitude down to 400 mVPP
• Internal Reference with External Reference Support
• NoExternal Decoupling Required for References
• 3.3-V Analog and Digital Supply
• 64QFNPackage (9 mm× 9mm)
• PinCompatible 12-Bit Family (ADS642X SLAS532A)
• Feature Compatible Dual Channel Family (ADS624X- SLAS542A, ADS644X- SLAS543A) APPLICATIONS
• Base-Station IF Receivers
• Diversity Receivers
• Medical Imaging
• Test Equipment
DESCRIPTION
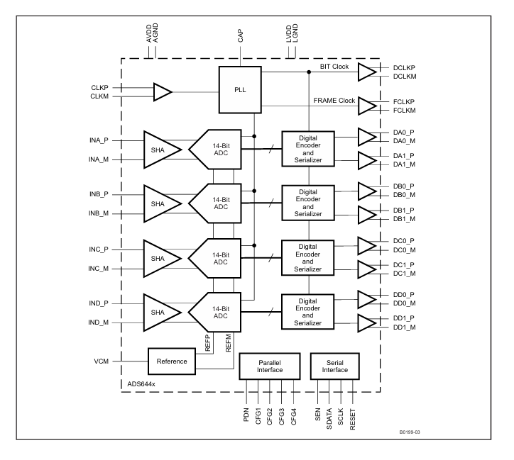
The ADS6445/ADS6444/ADS6443/ADS6442 (ADS644X) is a family of high performance 14-bit 125/105/80/65 MSPS quad channel A-D converters. Serial LVDS data outputs reduce the number of interface lines, resulting in a compact 64-pin QFN package (9 mm × 9 mm) that allows for high system integration density. The device includes 3.5dB coarse gain option that can be used to improve SFDR performance with little degradation in SNR. In addition to the coarse gain, fine gain options also exist, programmable in 1dB steps up to 6dB.
The output interface is 2-wire, where each ADC data is serialized and output over two LVDS pairs. This makes it possible to halve the serial data rate (compared to a 1-wire interface) and restrict it to less than 1Gbps easing receiver design. The ADS644X also includes the traditional 1-wire interface that can be used at lower sampling frequencies.
An internal phase lock loop (PLL) multiplies the incoming ADC sampling clock to derive the bit clock. The bit clock is used to serialize the 14-bit data from each channel. In addition to the serial data streams, the frame and bit clocks are also transmitted as LVDS outputs.
The LVDS output buffers have features such as programmable LVDS currents, current doubling modes and internal termination options. These can be used to widen eye-openings and improve signal integrity, easing capture by the receiver.
The ADC channel outputs can be transmitted either as MSB or LSB first and 2s complement or straight binary.

DESCRIPTION(CONTINUED)
TheADS644Xhasinternal references,butcanalsosupportanexternal referencemode.Thedeviceisspecified overtheindustrial temperaturerange(–40°Cto85°C).
- LP8557IEVM_TI(德州仪器)中文资料_英文资料_价格_PDF手册
- LAUNCHXL-F28027F TI(德州仪器)中文资料_英文资料_价格_PDF手册
- DLPDLCR160CPEVM DLP160CP TI(德州仪器)中文资料_英文资料_价格_PDF手册
- THS4631DDAEVM TI(德州仪器)中文资料_英文资料_价格_PDF手册
- DAC3482EVM TI(德州仪器)中文资料_英文资料_价格_PDF手册
- THS4302EVM TI(德州仪器)中文资料_英文资料_价格_PDF手册
- ADS7038Q1EVM-PDK_TI(德州仪器)中文资料_英文资料_价格_PDF手册
- LM3450AEV230V30/NOPB_TI(德州仪器)中文资料_英文资料_价格_PDF手册
- TPS72728DSEEVM-406_TI(德州仪器)中文资料_英文资料_价格_PDF手册
- WL1835MODCOM8A_TI(德州仪器)中文资料_英文资料_价格_PDF手册
- TAS5424BQ1DKDEVM_TI(德州仪器)中文资料_英文资料_价格_PDF手册
- ADS7042EVM-PDK_TI(德州仪器)中文资料_英文资料_价格_PDF手册
- TMDS570LS31HDK_TI(德州仪器)中文资料_英文资料_价格_PDF手册
- VCA8500BOARD_TI(德州仪器)中文资料_英文资料_价格_PDF手册
- DEM-SOT223LDO_TI(德州仪器)中文资料_英文资料_价格_PDF手册
