CDx4HC405x, CD4HCT405x High-Speed CMOS Logic Analog Multiplexer and Demultiplexer
1 Features
• Qualified for automotive applications
• Wide analog input voltage range: ±5V maximum
• Low ON-resistance:
– 70Ω typical (VCC – VEE = 4.5V)
– 40Ω typical (VCC – VEE = 9V)
• Low crosstalk between switches
• Fast switching and propagation speeds
• Break-before-make switching
• Wide operating temperature range:–40°C to +125°C
• Operation control voltage: 4.5V to 5.5V
• Switch voltage: 0V to 10V
• Direct LSTTL input logic compatibility VIL = 0.8V maximum, VIH = 2V minimum
• CMOS input compatibility II ≤ 1µA at VOL, VOH
2 Applications
• Digital radio
• Signal gating
• Factory automation
• Televisions
• Appliances
• Programmable logic circuits
• Sensors

3 Description
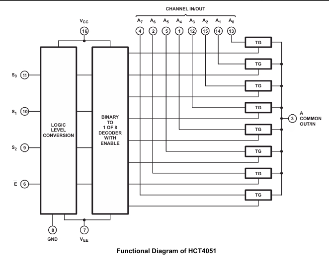
The CDx4HC405x and CDx4HCT405x device is a digitally controlled analog switch that uses silicon gate CMOS technology to achieve operating speeds similar to LSTTL with the low-power consumption of standard CMOS integrated circuits.
This analog multiplexer and demultiplexer controls analog voltages that may vary across the voltage supply range (for example, VCC to VEE). It is a bidirectional switch that allows any analog input to be used as an output and vice versa. The switch has low ON resistance and low OFF leakages. In addition, this device has an enable control that, when high, disables all switches to their OFF state.
- LP8557IEVM_TI(德州仪器)中文资料_英文资料_价格_PDF手册
- LAUNCHXL-F28027F TI(德州仪器)中文资料_英文资料_价格_PDF手册
- DLPDLCR160CPEVM DLP160CP TI(德州仪器)中文资料_英文资料_价格_PDF手册
- THS4631DDAEVM TI(德州仪器)中文资料_英文资料_价格_PDF手册
- DAC3482EVM TI(德州仪器)中文资料_英文资料_价格_PDF手册
- THS4302EVM TI(德州仪器)中文资料_英文资料_价格_PDF手册
- ADS7038Q1EVM-PDK_TI(德州仪器)中文资料_英文资料_价格_PDF手册
- LM3450AEV230V30/NOPB_TI(德州仪器)中文资料_英文资料_价格_PDF手册
- TPS72728DSEEVM-406_TI(德州仪器)中文资料_英文资料_价格_PDF手册
- WL1835MODCOM8A_TI(德州仪器)中文资料_英文资料_价格_PDF手册
- TAS5424BQ1DKDEVM_TI(德州仪器)中文资料_英文资料_价格_PDF手册
- ADS7042EVM-PDK_TI(德州仪器)中文资料_英文资料_价格_PDF手册
- TMDS570LS31HDK_TI(德州仪器)中文资料_英文资料_价格_PDF手册
- VCA8500BOARD_TI(德州仪器)中文资料_英文资料_价格_PDF手册
- DEM-SOT223LDO_TI(德州仪器)中文资料_英文资料_价格_PDF手册
