TPS562202DRLR
4.3-V to 17-V Input, 2-A Synchronous Buck Converter in SOT563
1 Features
• 2-A converter with integrated 140-mΩ and 84-mΩ FETs
• D-CAP2™ mode control with fast transient response
• Input voltage range: 4.3 V to 17 V
• Output voltage range: 0.804 V to 7 V
• ECO mode at light loading
• 580-kHz switching frequency
• Low shutdown current of less than 3 µA
• 2% feedback voltage accuracy (25°C)
• Support pre-bias start-up
• Cycle-by-cycle overcurrent limit
• Hiccup-mode overcurrent protection
• Non-latch UVP and TSD protections
• Fixed soft start: 1.2 ms
2 Applications
• SMPS power supply for TV
• Smart speaker
• Wired networking
• Digital set-top box (STB)
• Surveillance

3 Description
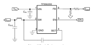
The TPS562202 is a simple, easy-to-use, 2-A synchronous buck converter in a SOT563 package.
The device is optimized to operate with minimum external components and also optimized to achieve low standby current.
This switch mode power supply (SMPS) device employs D-CAP2 mode control providing a fast transient response and supporting both low-equivalent series resistance (ESR) output capacitors such as specialty polymer and ultra-low ESR ceramic capacitors with components. no external compensation
The TPS562202 operates in ECO mode, which maintains high efficiency during light load operation. The TPS562202 is available in a 6-pin 1.6-mm × 1.6 mm SOT563 (DRL) package, and specified from a 40°C to 125°C junction temperature.
- LP8557IEVM_TI(德州仪器)中文资料_英文资料_价格_PDF手册
- LAUNCHXL-F28027F TI(德州仪器)中文资料_英文资料_价格_PDF手册
- DLPDLCR160CPEVM DLP160CP TI(德州仪器)中文资料_英文资料_价格_PDF手册
- THS4631DDAEVM TI(德州仪器)中文资料_英文资料_价格_PDF手册
- DAC3482EVM TI(德州仪器)中文资料_英文资料_价格_PDF手册
- THS4302EVM TI(德州仪器)中文资料_英文资料_价格_PDF手册
- ADS7038Q1EVM-PDK_TI(德州仪器)中文资料_英文资料_价格_PDF手册
- LM3450AEV230V30/NOPB_TI(德州仪器)中文资料_英文资料_价格_PDF手册
- TPS72728DSEEVM-406_TI(德州仪器)中文资料_英文资料_价格_PDF手册
- WL1835MODCOM8A_TI(德州仪器)中文资料_英文资料_价格_PDF手册
- TAS5424BQ1DKDEVM_TI(德州仪器)中文资料_英文资料_价格_PDF手册
- ADS7042EVM-PDK_TI(德州仪器)中文资料_英文资料_价格_PDF手册
- TMDS570LS31HDK_TI(德州仪器)中文资料_英文资料_价格_PDF手册
- VCA8500BOARD_TI(德州仪器)中文资料_英文资料_价格_PDF手册
- DEM-SOT223LDO_TI(德州仪器)中文资料_英文资料_价格_PDF手册
