TL494INE4
40V, 0.2A 300KHZ PWM CONTROLLER
1 Features
• Complete PWM Power-Control Circuitry
• Uncommitted Outputs for 200-mA Sink or Source Current
• Output Control Selects Single-Ended or Push-Pull Operation
• Internal Circuitry Prohibits Double Pulse at Either Output
• Variable Dead Time Provides Control Over Total Range
• Internal Regulator Provides a Stable 5-V Reference Supply With 5% Tolerance
• Circuit Architecture Allows Easy Synchronization
2 Applications
• Desktop PCs
• Microwave Ovens
• Power Supplies: AC/DC, Isolated, With or Without PFC
• Server PSUs
• Solar Micro-Inverters
• Washing Machines: Low-End and High-End
• E-Bikes
• Power: Telecom/Server AC/DC Supplies: Dual Controller: Analog
• Smoke Detectors
• Solar Power Inverters
3 Description
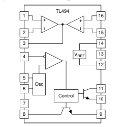
The TL494 device incorporates all the functions required in the construction of a pulse-width modulation (PWM) control circuit on a single chip. Designed primarily for power-supply control, this device offers the flexibility to tailor the power-supply control circuitry to a specific application.
The TL494 device contains two error amplifiers, an on-chip adjustable oscillator, a dead-time control (DTC) comparator, a pulse-steering control flip-flop, a 5-V, 5%-precision regulator, and output-control circuits.
The error amplifiers exhibit a common-mode voltage range from –0.3 V to VCC – 2 V. The dead-time control comparator has a fixed offset that provides approximately 5% dead time. The on-chip oscillator can be bypassed by terminating RT to the reference output and providing a sawtooth input to CT, or it can drive the common circuits in synchronous multiple-rail power supplies.
The uncommitted output transistors provide either common-emitter or emitter-follower output capability. The TL494 device provides for push-pull or single ended output operation, which can be selected through the output-control function. The architecture of this device prohibits the possibility of either output being pulsed twice during push-pull operation.
The TL494 device is characterized for operation from 0°C to 70°C. The TL494I device is characterized for operation from –40°C to 85°C.
- LP8557IEVM_TI(德州仪器)中文资料_英文资料_价格_PDF手册
- LAUNCHXL-F28027F TI(德州仪器)中文资料_英文资料_价格_PDF手册
- DLPDLCR160CPEVM DLP160CP TI(德州仪器)中文资料_英文资料_价格_PDF手册
- THS4631DDAEVM TI(德州仪器)中文资料_英文资料_价格_PDF手册
- DAC3482EVM TI(德州仪器)中文资料_英文资料_价格_PDF手册
- THS4302EVM TI(德州仪器)中文资料_英文资料_价格_PDF手册
- ADS7038Q1EVM-PDK_TI(德州仪器)中文资料_英文资料_价格_PDF手册
- LM3450AEV230V30/NOPB_TI(德州仪器)中文资料_英文资料_价格_PDF手册
- TPS72728DSEEVM-406_TI(德州仪器)中文资料_英文资料_价格_PDF手册
- WL1835MODCOM8A_TI(德州仪器)中文资料_英文资料_价格_PDF手册
- TAS5424BQ1DKDEVM_TI(德州仪器)中文资料_英文资料_价格_PDF手册
- ADS7042EVM-PDK_TI(德州仪器)中文资料_英文资料_价格_PDF手册
- TMDS570LS31HDK_TI(德州仪器)中文资料_英文资料_价格_PDF手册
- VCA8500BOARD_TI(德州仪器)中文资料_英文资料_价格_PDF手册
- DEM-SOT223LDO_TI(德州仪器)中文资料_英文资料_价格_PDF手册
