SN75176BDR
IC TRANSCEIVER HALF 1/1 8SOP
FEATURES
• Meets EIA Standard RS485 for Multipoint Bus Transmission and is Compatible with RS-422.
• Small Outline (SOIC) Package Option Available for Minimum Board Space.
• 22nsDriver Propagation Delays.
• Single +5V Supply.
• −7Vto+12V Bus Common Mode Range Permits ±7V Ground Difference Between Devices on the Bus.
• Thermal Shutdown Protection.
• High Impedance to Bus with Driver in TRI STATE or with Power Off, Over the Entire Common Mode Range Allows the Unused Devices on the Bus to be Powered Down.
• Combined Impedance of a Driver Output and Receiver Input is Less Than One RS485 Unit Load, Allowing up to 32 Transceivers on the Bus.
• 70mVTypical Receiver Hysteresis.
DESCRIPTION
The SN75176B / SN65176B is a high speed differential TRI-STATE bus/line transceiver designed to meet the ® requirements of EIA standard RS485 with extended common mode range (+12V to −7V), for multipoint data transmission. In addition, it is compatible with RS-422.
The driver and receiver outputs feature TRI-STATE capability, for the driver outputs over the entire common mode range of +12V to −7V. Bus contention or fault situations that cause excessive power dissipation within the device are handled by a thermal shutdown circuit, which forces the driver outputs into the high impedance state.
DC specifications are guaranteed over the 0 to 70°C temperature and 4.75V to 5.25V supply voltage range.
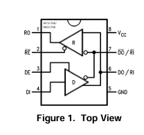
Connection and Logic Diagram

- LP8557IEVM_TI(德州仪器)中文资料_英文资料_价格_PDF手册
- LAUNCHXL-F28027F TI(德州仪器)中文资料_英文资料_价格_PDF手册
- DLPDLCR160CPEVM DLP160CP TI(德州仪器)中文资料_英文资料_价格_PDF手册
- THS4631DDAEVM TI(德州仪器)中文资料_英文资料_价格_PDF手册
- DAC3482EVM TI(德州仪器)中文资料_英文资料_价格_PDF手册
- THS4302EVM TI(德州仪器)中文资料_英文资料_价格_PDF手册
- ADS7038Q1EVM-PDK_TI(德州仪器)中文资料_英文资料_价格_PDF手册
- LM3450AEV230V30/NOPB_TI(德州仪器)中文资料_英文资料_价格_PDF手册
- TPS72728DSEEVM-406_TI(德州仪器)中文资料_英文资料_价格_PDF手册
- WL1835MODCOM8A_TI(德州仪器)中文资料_英文资料_价格_PDF手册
- TAS5424BQ1DKDEVM_TI(德州仪器)中文资料_英文资料_价格_PDF手册
- ADS7042EVM-PDK_TI(德州仪器)中文资料_英文资料_价格_PDF手册
- TMDS570LS31HDK_TI(德州仪器)中文资料_英文资料_价格_PDF手册
- VCA8500BOARD_TI(德州仪器)中文资料_英文资料_价格_PDF手册
- DEM-SOT223LDO_TI(德州仪器)中文资料_英文资料_价格_PDF手册
