ONET2804T_TI(德州仪器)中文资料_英文资料_价格_PDF手册
2026-04-13 17:27:37
阅读量:11
1 特性
• 4通道多速率运行,最高达28Gbps
• 10kΩ差分互阻抗
• 21GHz带宽
• 1.8μArms 输入引入噪声
• 2.9mAPP 输入过载电流
• 可编程输出电压
• 可调增益和带宽
• 用于每个通道的接收信号强度指示器(RSSI)
• 通道间40dB隔离(仅限芯片)
• 3.3V 单电源 • 每通道139mW
• 引脚控制或2线控制
• 片上滤波器电容
• 工作温度范围-40°C至100°C
• 芯片尺寸:3250μm×1450μm,750μm通道间距
2 应用
• 100G以太网光发射器
• ITUOTL4.4
• 具有内部重定时功能的CFP2、CFP4和QSFP28 模块
3 说明
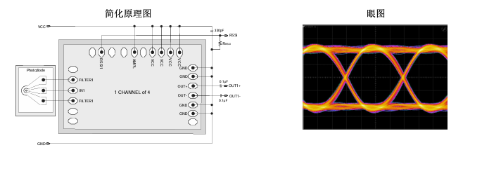
ONET2804T 是一款高增益限幅互阻抗放大器,适用于 并行光学互连,数据速率最高可达28Gbps。该器件与 750μm 间距离光电二极管阵列配合使用,可将光信号 转换为差分输出电压。由内部电路提供光电二极管反向 偏置电压并感测提供给各光电二极管的平均光电流。
该器件可配合引脚控制或两线制串口使用,从而实现对 输出幅值、增益、带宽和输入阈值的控制。
ONET2804T 具有 21GHz 带宽、10kΩ 增益、 1.8µArms 输入引入噪声和每通道的接收信号强度指示 器(RSSI)。通道间的40dB隔离可降低接收器中的串 扰。
该部件需要3.3V单电源供电,每个通道的功耗典型值 为139mW,差分输出幅度为500mVPP。其工作温度 范围为–40°C 至100°C,采用芯片形式,通道间距为 750μm。

ONET2804T 28Gbps 4 通道限幅TIA
推荐型号
资讯排行榜
- LP8557IEVM_TI(德州仪器)中文资料_英文资料_价格_PDF手册
- LAUNCHXL-F28027F TI(德州仪器)中文资料_英文资料_价格_PDF手册
- DLPDLCR160CPEVM DLP160CP TI(德州仪器)中文资料_英文资料_价格_PDF手册
- THS4631DDAEVM TI(德州仪器)中文资料_英文资料_价格_PDF手册
- DAC3482EVM TI(德州仪器)中文资料_英文资料_价格_PDF手册
- THS4302EVM TI(德州仪器)中文资料_英文资料_价格_PDF手册
- ADS7038Q1EVM-PDK_TI(德州仪器)中文资料_英文资料_价格_PDF手册
- LM3450AEV230V30/NOPB_TI(德州仪器)中文资料_英文资料_价格_PDF手册
- TPS72728DSEEVM-406_TI(德州仪器)中文资料_英文资料_价格_PDF手册
- WL1835MODCOM8A_TI(德州仪器)中文资料_英文资料_价格_PDF手册
- TAS5424BQ1DKDEVM_TI(德州仪器)中文资料_英文资料_价格_PDF手册
- ADS7042EVM-PDK_TI(德州仪器)中文资料_英文资料_价格_PDF手册
- TMDS570LS31HDK_TI(德州仪器)中文资料_英文资料_价格_PDF手册
- VCA8500BOARD_TI(德州仪器)中文资料_英文资料_价格_PDF手册
- DEM-SOT223LDO_TI(德州仪器)中文资料_英文资料_价格_PDF手册
