TPS79328YEQEVM
This user’s guide describes the characteristics, operation, and use of the TPS793xxYEQEVM low drop-out (LDO) evaluation module (EVM). This EVM features a TI LDO that offers ultra low noise performance with high PSRR, and 200mA load current capability all in the chip-scale package. This user’s guide includes setup instructions, a schematic diagram, a bill of materials (BOM), and PCB layout drawings for the evaluation module.
The Texas Instruments TPS793xxYEQEVM evaluation module (EVM) helps designers evaluate the operation and performance of the TPS793 family of devices in the chip-scale package. These devices are ultra low noise, high PSRR low drop-outs (LDOs) suitable for RF applications.
This EVM is specifically designed and optimized to operate over the entire input voltage range of the TPS793xxYEQ LDO (2.7V to 5.5V). The default output voltage of this EVM is denoted by the checkbox on the back of the printed circuit board. The layout of this board can be used as a starting point for designs using the TPS793xxYEQ.
This chapter describes the jumpers and connectors on the EVM as well as how to properly connect, set up, and use the TPS793xxYEQEVM.

Layout
Board layout is critical for reliable and easy to assemble chip-scale de signs. Figure 3−1, Figure 3−2, and Figure 3−3 show the board layout for the TPS793xxYEQEVM printed wiring board (PWB). Careful attention should be given to the routing to the chip-scale IC lands. Refer to the Na noStar Wafer Chip-Scale Package Design Guide for specific layout guide lines.

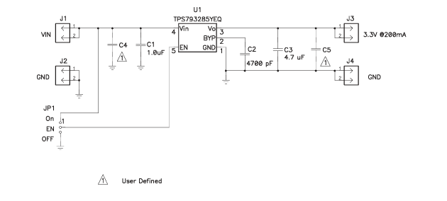
This chapter provides the schematic for the TPS793xxYEQEVM. The bill of materials is also included for component and manufacturer reference.
Schematic

- LP8557IEVM_TI(德州仪器)中文资料_英文资料_价格_PDF手册
- LAUNCHXL-F28027F TI(德州仪器)中文资料_英文资料_价格_PDF手册
- DLPDLCR160CPEVM DLP160CP TI(德州仪器)中文资料_英文资料_价格_PDF手册
- THS4631DDAEVM TI(德州仪器)中文资料_英文资料_价格_PDF手册
- DAC3482EVM TI(德州仪器)中文资料_英文资料_价格_PDF手册
- THS4302EVM TI(德州仪器)中文资料_英文资料_价格_PDF手册
- ADS7038Q1EVM-PDK_TI(德州仪器)中文资料_英文资料_价格_PDF手册
- LM3450AEV230V30/NOPB_TI(德州仪器)中文资料_英文资料_价格_PDF手册
- TPS72728DSEEVM-406_TI(德州仪器)中文资料_英文资料_价格_PDF手册
- WL1835MODCOM8A_TI(德州仪器)中文资料_英文资料_价格_PDF手册
- TAS5424BQ1DKDEVM_TI(德州仪器)中文资料_英文资料_价格_PDF手册
- ADS7042EVM-PDK_TI(德州仪器)中文资料_英文资料_价格_PDF手册
- TMDS570LS31HDK_TI(德州仪器)中文资料_英文资料_价格_PDF手册
- VCA8500BOARD_TI(德州仪器)中文资料_英文资料_价格_PDF手册
- DEM-SOT223LDO_TI(德州仪器)中文资料_英文资料_价格_PDF手册
