TL432ACDBZR
IC VREF SHUNT ADJ 1% SOT23-3
1 Features
• Reference voltage tolerance at 25°C
– 0.5% (B grade)
– 1% (A grade)
– 2% (Standard grade)
• Adjustable output voltage: Vref to 36V
• Operation from −40°C to 125°C
• Typical temperature drift (TL43xB)
– 6mV (C temp)
– 14mV (I temp, Q temp)
• Low Output Noise
• 0.2Ω Typical output impedance
• Sink-current capability: 1mA to 100mA
2 Applications
• Rack server power
• Industrial AC/DC
• AC inverter & VF drives
• Servo drive control module
• Notebook PC power adapter design
3 Description
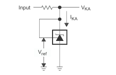
The TL431 and TL432 devices are three-terminal adjustable shunt regulators, with specified thermal stability over applicable automotive, commercial, and military temperature ranges. The output voltage can be set to any value between Vref (approximately 2.5V) and 36V, with two external resistors. These devices have a typical output impedance of 0.2Ω. Active output circuitry provides a very sharp turn on characteristic, making these devices excellent replacements for Zener diodes in many applications, such as on-board regulation, adjustable power supplies, and switching power supplies. The TL432 device has exactly the same functionality and electrical specifications as the TL431 device, but has different pinouts for the DBV, DBZ, and PK packages.
Both the TL431 and TL432 devices are offered in three grades, with initial tolerances (at 25°C) of 0.5%, 1%, and 2%, for the B, A, and standard grade, respectively. In addition, low output drift versus temperature verifies good stability over the entire temperature range.
The TL43xxC devices are characterized for operation from 0°C to 70°C, the TL43xxI devices are characterized for operation from –40°C to 85°C, and the TL43xxQ devices are characterized for operation from –40°C to 125°C.
- LP8557IEVM_TI(德州仪器)中文资料_英文资料_价格_PDF手册
- LAUNCHXL-F28027F TI(德州仪器)中文资料_英文资料_价格_PDF手册
- DLPDLCR160CPEVM DLP160CP TI(德州仪器)中文资料_英文资料_价格_PDF手册
- THS4631DDAEVM TI(德州仪器)中文资料_英文资料_价格_PDF手册
- DAC3482EVM TI(德州仪器)中文资料_英文资料_价格_PDF手册
- THS4302EVM TI(德州仪器)中文资料_英文资料_价格_PDF手册
- ADS7038Q1EVM-PDK_TI(德州仪器)中文资料_英文资料_价格_PDF手册
- LM3450AEV230V30/NOPB_TI(德州仪器)中文资料_英文资料_价格_PDF手册
- TPS72728DSEEVM-406_TI(德州仪器)中文资料_英文资料_价格_PDF手册
- WL1835MODCOM8A_TI(德州仪器)中文资料_英文资料_价格_PDF手册
- TAS5424BQ1DKDEVM_TI(德州仪器)中文资料_英文资料_价格_PDF手册
- ADS7042EVM-PDK_TI(德州仪器)中文资料_英文资料_价格_PDF手册
- TMDS570LS31HDK_TI(德州仪器)中文资料_英文资料_价格_PDF手册
- VCA8500BOARD_TI(德州仪器)中文资料_英文资料_价格_PDF手册
- DEM-SOT223LDO_TI(德州仪器)中文资料_英文资料_价格_PDF手册
