STM32F103RET6
IC MCU 32BIT 512KB FLASH 64LQFP
Features
Core: Arm® 32-bit Cortex®-M3 CPU
72 MHz maximum frequency, 1.25 DMIPS/MHZ(Dhrystone 2.1)peromance at 0 wait statememory access
Single-cycle multiplication and hardwaredivision
Memories
256 to 512 Kbytes of Flash memory
up to 64 Kbytes of SRAM
Flexible static memory controller with 4 ChipSelect. Supports Compact Flash, SRAM,PSRAM.NOR and NAND memories
LCD parallelinterface,8080/6800 modes
Clock,reset and supply management
2.0 to 3.6 V application supply and l/Os
POR,PDR, and programmable voltage detector(PVD)
4-to-16 MHz crystal oscillator
Internal 8 MHz factory-trimmed RC
Internal 40 kHz RC with calibration
32 kHz oscillator for RTC with calibration
Low power
Sleep, Stop and Standby modes
-VBAT supply for RTC and backup registers
3x12-bit, 1 us AD converters (up to 21channels)
Conversion range: 0 to 3.6 y
Triple-sample and hold capability
lemperature sensor
2x12-bit D/A converters
DMA:12-channel DMA controller
Supported peripherals:timers,ADCs, DACSDI0,12Ss, SPls, 2Cs and USARTs
Debug mode
Serial wire debug (SWD) & JTAG interfacesCortex"-M3 Embedded Trace Macrocell™
Up to 112 fast l/0 ports
51/80/112 WOs,all mappable on 16 extemalinterrupt vectors and almost all 5 w-tolerant
Up to 11 timers
-Up to four 16-bit timers.each with up to 4
IC/OC/PWM or pulse counter and quadrature
(incremental)encoder input
2 x 16-bit motor control PVM timers with dead.
time generation and emergency stop
2 x watchdog timers (Independent and Window)
SysTick timer: a 24-bit downcounter
2 x 16-bit basic timers to drive the DAC
Up to 13 communication interfaces
Up to 2 x |C interfaces (SMBuS/PMBus)Up to5 USARTs(IS0 7816 interface. LIN. lrDA
capability,modem control)
Up to 3 SPls (18 Mbit's), 2 with l2S interface
multiplexed
CAN interface (2.0B Active)
USB 2.0 full speed interface
SDlO interface二
CRC calculation unit, 96-bit unique lD
ECOPACK@packages
Description
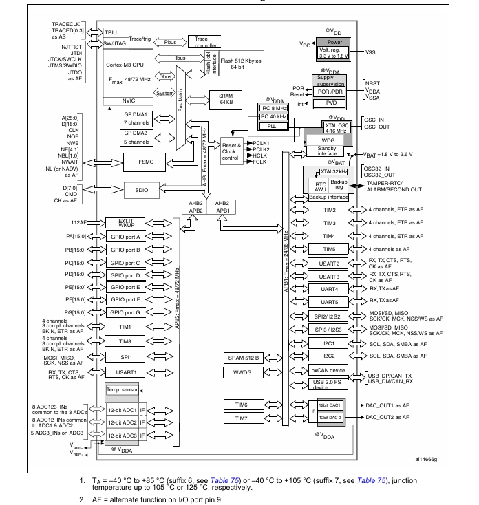
The STM32F103xC, STM32F103xD and STM32F103xE performance line family incorporates the high-performance Arm® Cortex®-M3 32-bit RISC core operating at a 72 MHz frequency, high-speed embedded memories (Flash memory up to 512 Kbytes and SRAM up to 64 Kbytes), and an extensive range of enhanced I/Os and peripherals connected to two APB buses. All devices offer three 12-bit ADCs, four general-purpose 16 bit timers plus two PWM timers, as well as standard and advanced communication interfaces: up to two I2Cs, three SPIs, two I2Ss, one SDIO, five USARTs, an USB and a CAN.
The STM32F103xC/D/E high-density performance line family operates in the –40 to +105 °C temperature range, from a 2.0 to 3.6 V power supply. A comprehensive set of power-saving mode allows the design of low-power applications.
These features make the STM32F103xC/D/E high-density performance line microcontroller family suitable for a wide range of applications such as motor drives, application control, medical and handheld equipment, PC and gaming peripherals, GPS platforms, industrial applications, PLCs, inverters, printers, scanners, alarm systems video intercom, and HVAC.
Device overview
The STM32F103xC/D/E high-density performance line family offers devices in six different package types: from 64 pins to 144 pins. Depending on the device chosen, different sets of peripherals are included, the description below gives an overview of the complete range of peripherals proposed in this family.

- LP8557IEVM_TI(德州仪器)中文资料_英文资料_价格_PDF手册
- LAUNCHXL-F28027F TI(德州仪器)中文资料_英文资料_价格_PDF手册
- DLPDLCR160CPEVM DLP160CP TI(德州仪器)中文资料_英文资料_价格_PDF手册
- THS4631DDAEVM TI(德州仪器)中文资料_英文资料_价格_PDF手册
- DAC3482EVM TI(德州仪器)中文资料_英文资料_价格_PDF手册
- THS4302EVM TI(德州仪器)中文资料_英文资料_价格_PDF手册
- ADS7038Q1EVM-PDK_TI(德州仪器)中文资料_英文资料_价格_PDF手册
- LM3450AEV230V30/NOPB_TI(德州仪器)中文资料_英文资料_价格_PDF手册
- TPS72728DSEEVM-406_TI(德州仪器)中文资料_英文资料_价格_PDF手册
- WL1835MODCOM8A_TI(德州仪器)中文资料_英文资料_价格_PDF手册
- TAS5424BQ1DKDEVM_TI(德州仪器)中文资料_英文资料_价格_PDF手册
- ADS7042EVM-PDK_TI(德州仪器)中文资料_英文资料_价格_PDF手册
- TMDS570LS31HDK_TI(德州仪器)中文资料_英文资料_价格_PDF手册
- VCA8500BOARD_TI(德州仪器)中文资料_英文资料_价格_PDF手册
- DEM-SOT223LDO_TI(德州仪器)中文资料_英文资料_价格_PDF手册
