ULN2003ADR
IC PWR RELAY 7NPN 1:1 16SOIC
1 Features
500mA-rated collector current (single output)High-voltage outputs:50V
Output clamp diodesInputs compatible with various types of logicRelay-driver applications
2 Applications
Relay DriversStepper and DC Brushed Motor DriversLamp DriversDisplay Drivers (LED and Gas Discharge)Line DriversLogic Buffers
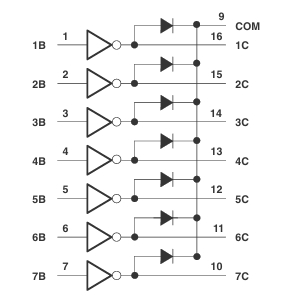
3 Description
The ULx200xA devices are high-voltage, high-currentDarlington transistor arrays.Each consists of sevenNPN Darlington pairs that feature high-voltage outputswith common-cathode clamp diodesforswitchinginductive loads.
The collector-current rating of a single Darlington pairis 500mA.The Darington pairs can be paralleledfor higher current capability.Applications includerelay drivers,hammer drivers,lamp drivers, displaydrivers(LED and gas discharge),line drivers, andlogic buffers.For 100V(otherwise interchangeable)versions of the ULx2003A devices, see the SLRS023data sheet for the SN75468 and SN75469 devices.
The ULN2002A device is designed specifically for usewith 14V to 25VPMOS devices. Each input of thisdevice has a Zener diode and resistor in series tocontrol the input current to a safe limit. The ULx2003Adevices have a 2.7kQ series base resistor for eachDarlington pair for operation directly with TTl or 5VCMOS devices.
The ULx2004A devices have a 10.5kΩ series baseresistor to allow operation directlyfrom CMOSdevices that use supply voltages of 6V to 15V. Therequired input current of the ULx2004A device isbelow that of the ULx2003A devices, and the requiredvoltage is less than that required by the ULN2002Adevice.

- DLPDLCR160CPEVM DLP160CP 具有 0.16 nHD 分辨率的 DLP® LightCrafter™ 显示器评估模块
- THS4631DDAEVM TI(德州仪器)中文资料_英文资料_价格_PDF手册
- DAC3482EVM TI(德州仪器)中文资料_英文资料_价格_PDF手册
- THS4302EVM TI(德州仪器)中文资料_英文资料_价格_PDF手册
- ADS7038Q1EVM-PDK_TI(德州仪器)中文资料_英文资料_价格_PDF手册
- LM3450AEV230V30/NOPB_TI(德州仪器)中文资料_英文资料_价格_PDF手册
- TPS72728DSEEVM-406_TI(德州仪器)中文资料_英文资料_价格_PDF手册
- WL1835MODCOM8A_TI(德州仪器)中文资料_英文资料_价格_PDF手册
- TAS5424BQ1DKDEVM_TI(德州仪器)中文资料_英文资料_价格_PDF手册
- ADS7042EVM-PDK_TI(德州仪器)中文资料_英文资料_价格_PDF手册
- TMDS570LS31HDK_TI(德州仪器)中文资料_英文资料_价格_PDF手册
- VCA8500BOARD_TI(德州仪器)中文资料_英文资料_价格_PDF手册
- DEM-SOT223LDO_TI(德州仪器)中文资料_英文资料_价格_PDF手册
- DAC8564EVM_TI(德州仪器)中文资料_英文资料_价格_PDF手册
- ADS8412EVM _TI(德州仪器)中文资料_英文资料_价格_PDF手册
