STM32F030F4P6
IC MCU 32BIT 16KB FLASH 20TSSOP
Features
Core: Arm® 32-bit Cortex®-M0 CPU, frequencyup to 48 MHz
Memories
-16 to 256 Kbytes of Flash memory4 to 32 Kbytes of SRAM with HW parity
CRC calculation unit
Reset and power management
Digital & l/Os supply: Vop = 2.4 V to 3.6 VAnalog supply: VoDA = VDD to 3.6 V
Power-on/Power down reset (POR/PDR)-Low power modes:Sleep, Stop, StandbyClock management
-4 to 32 MHz crystal oscillator
32 kHz oscillator for RTC with calibrationInternal 8 MHz RC with x6 PLL option
Internal 40 kHz RC oscillator
Up to 55 fast l/Os
All mappable on external interrupt vectors- Up to 55 l/Os with 5V tolerant capability
5-channel DMA controller
One 12-bit, 1.0 us ADC (up to 16 channels)Conversion range: 0 to 3.6 V
Separate analog supply: 2.4 V to 3.6 VCalendar RTC with alarm and periodic wakeupfrom Stop/Standby
Features
Core: Arm® 32-bit Cortex®-M0 CPU, frequencyup to 48 MHz
Memories
-16 to 256 Kbytes of Flash memory4 to 32 Kbytes of SRAM with HW parity
CRC calculation unit
Reset and power management
Digital & l/Os supply: Vop = 2.4 V to 3.6 VAnalog supply: VoDA = VDD to 3.6 V
Power-on/Power down reset (POR/PDR)-Low power modes:Sleep, Stop, StandbyClock management
-4 to 32 MHz crystal oscillator
32 kHz oscillator for RTC with calibrationInternal 8 MHz RC with x6 PLL option
Internal 40 kHz RC oscillator
Up to 55 fast l/Os
All mappable on external interrupt vectors- Up to 55 l/Os with 5V tolerant capability
5-channel DMA controller
One 12-bit, 1.0 us ADC (up to 16 channels)Conversion range: 0 to 3.6 V
Separate analog supply: 2.4 V to 3.6 VCalendar RTC with alarm and periodic wakeupfrom Stop/Standby
Communication interfaces
Up to two l2C interfaces
Fast Mode Plus (1 Mbit/s) support onone or two l/Fs, with 20 mA current sinkSMBus/PMBus support (on single l/F)Up to six USARTs supporting mastersynchronous SPland modem control: onewith auto baud rate detectionUp to two SPls (18 Mbit/s) with 4 to 16programmable bit framesSerial wire debug (SwD)All packages ECOPACK®2

Description
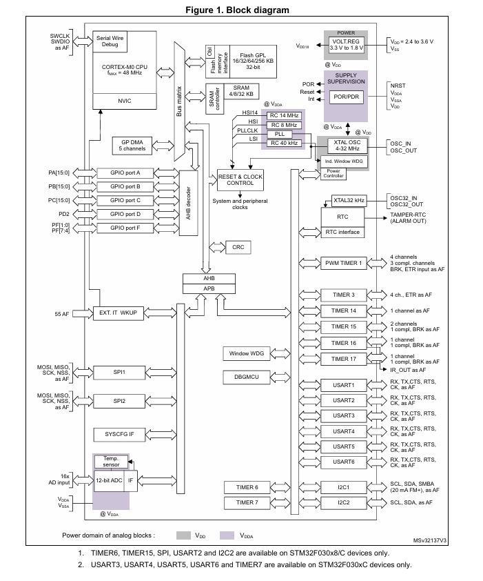
The STM32F030x4/x6/x8/xC microcontrollers incorporate the high-performance Arm®Cortex-M0 32-bit RiSC core operating at a 48 MHz frequency, high-speed embeddedmemories (up to 256 Kbytes of Flash memory and up to 32 Kbytes of SRAM), and anextensive range of enhanced peripherals and l/Os.All devices offer standardcommunication interfaces (up to two lCs, up to two SPls and up to six USARTs), one 12-bitADC, seven general-purpose 16-bit timers and an advanced-control PWM timer.The STM32F030x4/x6/x8/xC microcontrollers operate in the -40 to +85 °C temperaturerange from a 2.4 to 3.6V power supply. A comprehensive set of power-saving modes allowsthe design of low-power applications.
The STM32F030x4/x6/x8/xC microcontrollers include devices in four different packagesranging from 20 pins to 64 pins. Depending on the device chosen, different sets ofperipherals are included. The description below provides an overview of the complete rangeof STM32F030x4/x6/x8/xC peripherals proposed.
These features make the STM32F030x4/x6/x8/xC microcontrollers suitable for a wide rangeof applications such as application control and user interfaces, handheld equipment, A/Vreceivers and digital TV, PC peripherals, gaming and GPS platforms, industrial applications.PLCs,inverters, printers,scanners, alarm systems, video intercoms, and HVACs.

- DLPDLCR160CPEVM DLP160CP 具有 0.16 nHD 分辨率的 DLP® LightCrafter™ 显示器评估模块
- THS4631DDAEVM TI(德州仪器)中文资料_英文资料_价格_PDF手册
- DAC3482EVM TI(德州仪器)中文资料_英文资料_价格_PDF手册
- THS4302EVM TI(德州仪器)中文资料_英文资料_价格_PDF手册
- ADS7038Q1EVM-PDK_TI(德州仪器)中文资料_英文资料_价格_PDF手册
- LM3450AEV230V30/NOPB_TI(德州仪器)中文资料_英文资料_价格_PDF手册
- TPS72728DSEEVM-406_TI(德州仪器)中文资料_英文资料_价格_PDF手册
- WL1835MODCOM8A_TI(德州仪器)中文资料_英文资料_价格_PDF手册
- TAS5424BQ1DKDEVM_TI(德州仪器)中文资料_英文资料_价格_PDF手册
- ADS7042EVM-PDK_TI(德州仪器)中文资料_英文资料_价格_PDF手册
- TMDS570LS31HDK_TI(德州仪器)中文资料_英文资料_价格_PDF手册
- VCA8500BOARD_TI(德州仪器)中文资料_英文资料_价格_PDF手册
- DEM-SOT223LDO_TI(德州仪器)中文资料_英文资料_价格_PDF手册
- DAC8564EVM_TI(德州仪器)中文资料_英文资料_价格_PDF手册
- ADS8412EVM _TI(德州仪器)中文资料_英文资料_价格_PDF手册
