THS4131EVM
About This Manual
The Texas Instruments THS4131 evaluation module (EVM) helps designers evaluate the performance of the THS4131 operational amplifier. Also, this EVM is a good example of high-speed PCB design
This document details the Texas Instruments THS4131 high-speed operational amplifier evaluation module (EVM). It includes a list of EVM features, a brief description of the module illustrated with a series of schematic diagrams, EVM specifications, details on connecting and using the EVM, and a discussion of high-speed amplifier design considerations.
This EVM enables the user to implement various circuits to clarify the available configurations presented by the schematic of the EVM. In addition, the schematic of the default circuit has been added to depict the components mounted on the EVM when it is received by the customer. This configuration correlates to the single input/differential output signal.
Other sample circuits are presented to show how the user can implement other circuit configurations such as differential input/differential output signal, transformer utilization on the input and output terminals, VICR level shifter, and Butterworth filter with multiple feedback. The user may be able to create and implement circuit configurations in addition to those presented in this document using the THS4131 EVM.
1.1 Description
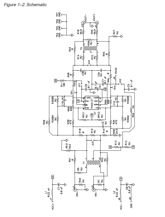
The THS4131 EVM is a good example of PCB design and layout for high-speed operational amplifier applications. It is a complete circuit for the high-speed operational amplifier. The EVM is made of the THS4131 high-speed operational amplifier, a number of passive components, and various features and footprints that enable the user to experiment, test, and verify various operational amplifier circuit implementations. The board measures 4.5 inches in length by 2.5 inches in width. Initially, this board is populated for a single-ended input amplifier (see Figure 1-2 for populated circuits). The outputs (VO+ and VO–) can be tested differentially or single ended. Gain is set to one and can be changed by changing the ratios of the feedback and gain resistors (see the device datasheet for recommended resistor values). The user may populate various footprints on the evaluation module board to verify filter designs or perform other experiments. Each input is terminated with a 50-Ω resistor to provide correct line-impedance matching.
1.2 THS4131 EVM Schematic
THS4131 EVM Schematic

Additional Sample Schematics


- TI(德州仪器)中文资料_英文资料_价格_PDF手册
- ADS7038Q1EVM-PDK_TI(德州仪器)中文资料_英文资料_价格_PDF手册
- LM3450AEV230V30/NOPB_TI(德州仪器)中文资料_英文资料_价格_PDF手册
- TPS72728DSEEVM-406_TI(德州仪器)中文资料_英文资料_价格_PDF手册
- WL1835MODCOM8A_TI(德州仪器)中文资料_英文资料_价格_PDF手册
- TAS5424BQ1DKDEVM_TI(德州仪器)中文资料_英文资料_价格_PDF手册
- ADS7042EVM-PDK_TI(德州仪器)中文资料_英文资料_价格_PDF手册
- TMDS570LS31HDK_TI(德州仪器)中文资料_英文资料_价格_PDF手册
- VCA8500BOARD_TI(德州仪器)中文资料_英文资料_价格_PDF手册
- DEM-SOT223LDO_TI(德州仪器)中文资料_英文资料_价格_PDF手册
- DAC8564EVM_TI(德州仪器)中文资料_英文资料_价格_PDF手册
- ADS8412EVM _TI(德州仪器)中文资料_英文资料_价格_PDF手册
- TPS61500EVM-369_TI(德州仪器)中文资料_英文资料_价格_PDF手册
- TPS7A6050EVM_TI(德州仪器)中文资料_英文资料_价格_PDF手册
- ADC3244EVM_TI(德州仪器)中文资料_英文资料_价格_PDF手册
