LM3410XMFLEDEV/NOPB
1 Introduction
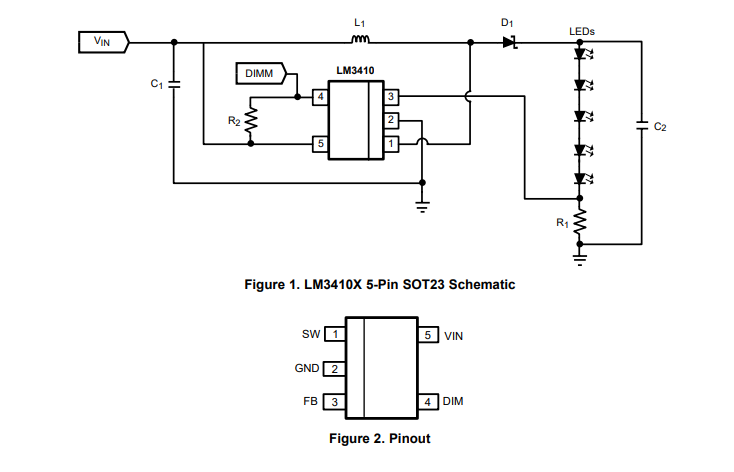
The demo board included in this shipment converts 2.7V to 5.5V input, and illuminates four 50mA LED’s in series using the LM3410X 1.6MHz LED driver switching converter. This is a 2-layer board using the bottom layer as a ground plane.
A bill of materials (see Section 2) describes the parts used on this demo board. A schematic and layout have also been included below along with measured performance characteristics. The above restrictions for the input voltage are valid only for the demo board as shipped with the demo board schematic below.
Operating Conditions
VIN = 2.7V to 5.5V
VO ≊ VF x 4 + VFB ≊ 3.6V x 4 + 0.198V ≊ 14.4V
IO = 50mA

2 PCB Layout

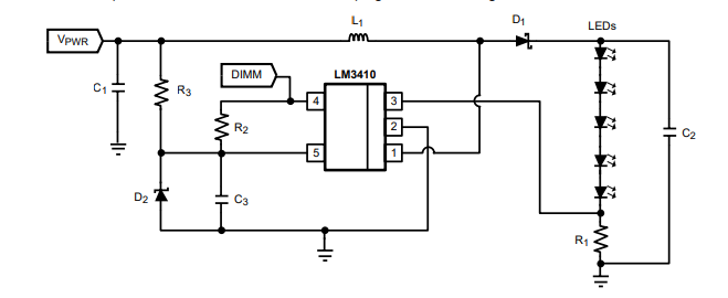
3 16V > VPWR > 5.5V Application Circuit
The circuit shown in Figure 7 allows for a single supply to be used with a simple Zenner diode regulation circuit to provide the LM3410 with a housekeeping and driver voltage that is below 5.5V.

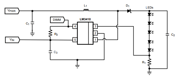
The demonstration board provided can easily be modified to allow the user to derive the power from an input supply that is larger than 5.5V. In Figure 8 two separate supplies are needed. VIN must be between 2.7V minimum to 5.5V maximum, but VPWR can be as great as 16V.

- TI(德州仪器)中文资料_英文资料_价格_PDF手册
- ADS7038Q1EVM-PDK_TI(德州仪器)中文资料_英文资料_价格_PDF手册
- LM3450AEV230V30/NOPB_TI(德州仪器)中文资料_英文资料_价格_PDF手册
- TPS72728DSEEVM-406_TI(德州仪器)中文资料_英文资料_价格_PDF手册
- WL1835MODCOM8A_TI(德州仪器)中文资料_英文资料_价格_PDF手册
- TAS5424BQ1DKDEVM_TI(德州仪器)中文资料_英文资料_价格_PDF手册
- ADS7042EVM-PDK_TI(德州仪器)中文资料_英文资料_价格_PDF手册
- TMDS570LS31HDK_TI(德州仪器)中文资料_英文资料_价格_PDF手册
- VCA8500BOARD_TI(德州仪器)中文资料_英文资料_价格_PDF手册
- DEM-SOT223LDO_TI(德州仪器)中文资料_英文资料_价格_PDF手册
- DAC8564EVM_TI(德州仪器)中文资料_英文资料_价格_PDF手册
- ADS8412EVM _TI(德州仪器)中文资料_英文资料_价格_PDF手册
- TPS61500EVM-369_TI(德州仪器)中文资料_英文资料_价格_PDF手册
- TPS7A6050EVM_TI(德州仪器)中文资料_英文资料_价格_PDF手册
- ADC3244EVM_TI(德州仪器)中文资料_英文资料_价格_PDF手册
